TyroCity

Physics XII Notes for Physics Notes

Posted on

AC Through Inductor, Capacitor And Resistor

Image1

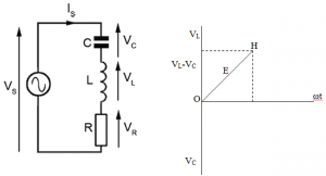
A pure inductor, an ideal capacitor and a pure resistor are connected in series to an alternating current source. Since the components are connected in series,same current flows across each of them while each of them suffer different potential drop.
Let E be the rms value of applied emf and I be the rms value of the current flowing in the circuit. Let VL , VC and VR be the potential drop across L, C and R respectively.
The potential drop across inductor is:

Image2

The potential drop across capacitor is:

Image3

The potential drop across resistance is:

Image4

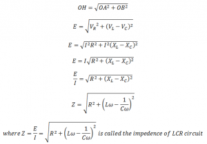
From the fig the resultant OH is given by:

Image5

This is the3 impedance of LCR circuit. It is the effective opposition offered by LCR circuit for the flow of current.

Image6

Top comments (0)